Description
880TA Series
Product information
-
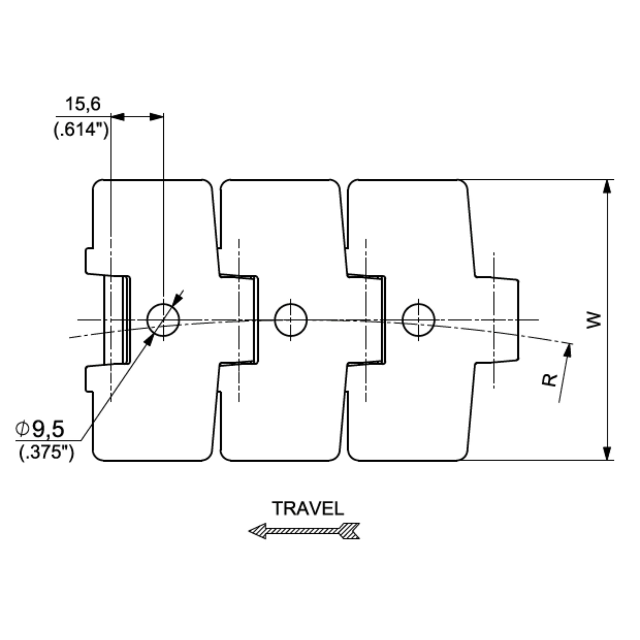
Sideflexing
-
TAB
-
Vacuum series
-
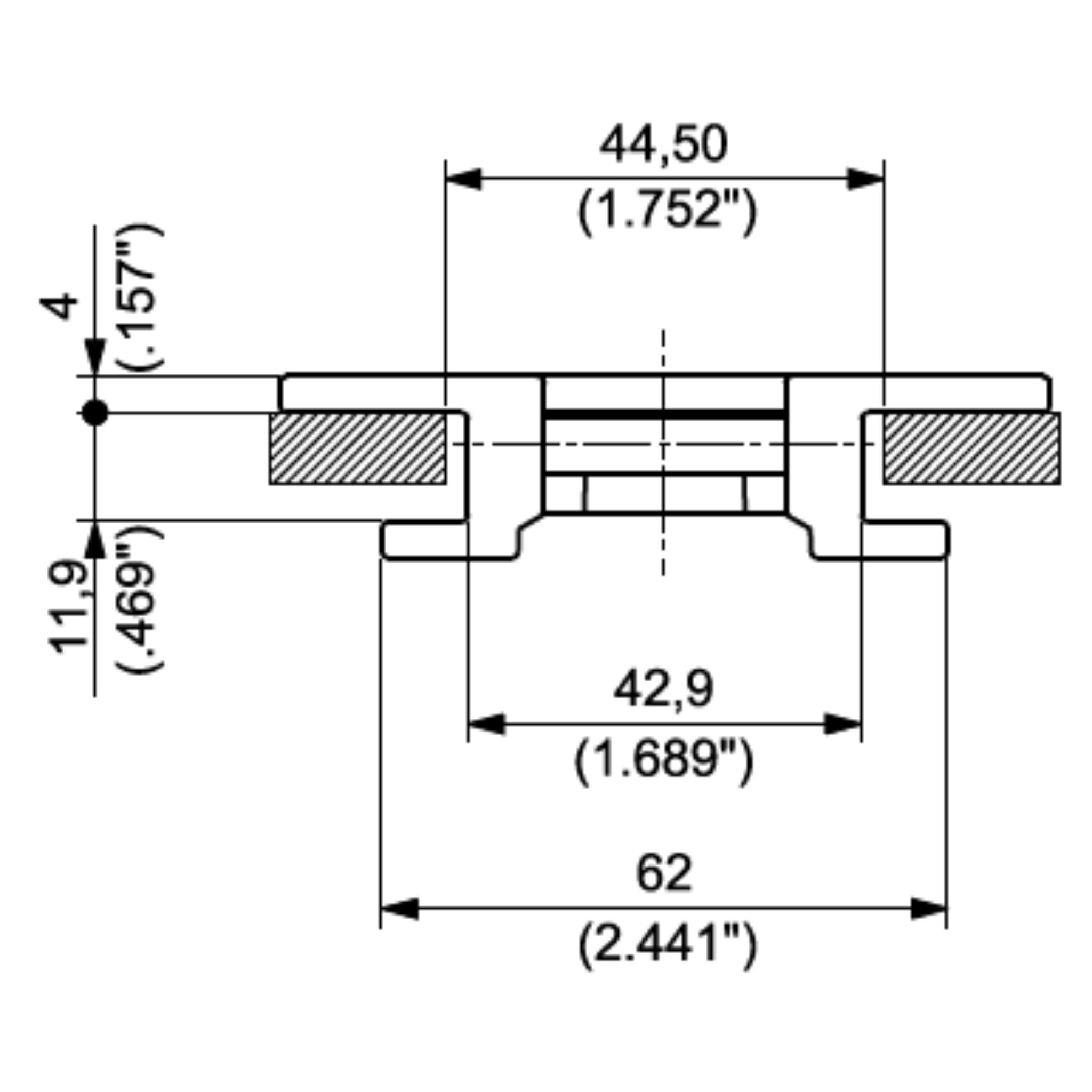
Pitch 1 ½” (38.1mm)
-
Thickness 4mm (0.157”)
-
Hinge 42.9mm (1.689”)
Standard packaging: Rolls of 3.048 meters
Information: Actual width can be up to 0.5% greater than nominal width
| Plate Material | Pin Material | Item Description | Part Number | Width (mm) | Plate Thickness (mm) | Sideflexing Radius (mm) | Working Load (N) | Weight (kg/m) | Availability |
|---|---|---|---|---|---|---|---|---|---|
| Ultra Performance Homopolymer Delrin® (UP) | Austenitic Stainless Steel | UP 880TA K 3 ¼" | UP880TAKD/000 | 82.6 | 4.0 | 457.2 | 2000 | 0.51 | Available on Request |




